Тема «Электротехника. Цепи постоянного тока»





Текст вопроса: (Пожаловаться на вопрос!)

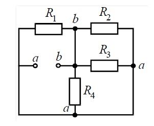
Определить входное сопротивление, если известно: R1 = R2 = R3 = R4= 40 Ом.

Пожалуйста, выберите правильный ответ:




Пожалуйста,
выберите правильный ответ и введите проверочный код,
указанный на картинке

Прямая ссылка на страницу темы: http://15-51.com/tID:137-517-291


Тема: (Пожаловаться на тему!)

Идентификатор темы Название Автор Создана Рейтинг Популярность
tID:137-517-291 Электротехника. Цепи постоянного тока uID:321-586-267 2014-10-13 17:47:03 33623 299149

Аннотация: (Пожаловаться на тему!)

Для широкого круга специалистов, изучающих электротехнику.


Язык темы - Русский

Показать правила темы